尿醛樹脂噴霧干燥塔
脲醛樹脂又稱脲甲醛樹脂。英文縮寫UF,是尿素與甲醛在催化劑(堿性或酸性催化劑)作用下,縮聚成初期脲醛樹脂,然后再在固化劑或助劑作用下,形成不溶、不熔的末期熱固性樹脂。固化后的脲醛樹脂顏色比酚醛樹脂淺,呈半透明狀,耐弱酸、弱堿,絕緣性能好,耐磨性極佳,價格便宜,它是膠粘劑中用量最大的品種.特別是在木材加工業各種人造板的制造中,脲醛樹脂及其改性產品占膠粘劑總用量的90%左右。
產品介紹
??噴霧干燥是液體工藝成形和干燥工業中較廣泛應用的工藝。特別適用于從溶液、懸浮液和糊狀液體原料中生成粉狀、顆粒狀固體產品。因此,當成品的顆粒大小分布、殘留水份含量、堆積密度和顆粒形狀的標準時,噴霧干燥是一道較好的工藝。
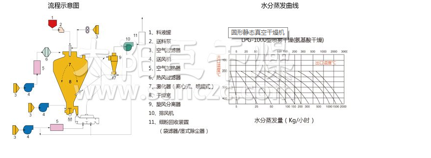
工作原理
?? 空氣經過濾和加熱,進入干燥器頂部空氣分配器,熱空氣呈螺旋狀均勻地進入干燥室。料液經塔體頂部的高速離心霧化器,(旋轉)噴霧成極細微的霧狀液珠,與熱空氣并流接觸在極短的時間內可干燥為成品。成品連續地由干燥塔底部和旋風分離器中輸出,廢氣由風機排空。
性能特點
1、干燥速度快,一般只需5-15秒,具有瞬時干燥特點(瞬間可蒸發95%~98%的水份)。物料在短時間內完成干燥過程,適應于熱敏性物料的干燥,能保持物料色、香、味;
2、生產過程簡化,操作控制簡便,適應連續控制生產,含濕量40-90%的液體,一次干燥成粉,減少粉碎,篩選等工序,提高產品純度;
3、產品分散性、流動性、溶解性良好,產品粒徑、松散度、水分在一定范圍內可通過改變操作條件進行調整,控制和管理都很方便。
適應物料
化學工業: 氟化鈉(鉀)、堿性染料顏料、染料中間體、復合肥、甲醛硅酸、催化劑、硫酸劑、氨基酸、白炭黑等。
塑料樹脂:AB,ABS乳液、尿醛樹脂、酚醛樹脂、密膠(脲)甲醛樹脂、聚乙烯、聚氯乙烯等。
食品工業:富脂奶粉、胳朊、可可奶粉、代乳粉、獵血粉、蛋清(黃)等。
食物及植物:燕麥、雞汁、咖啡、速溶茶、調味香料肉、蛋白質、大豆、花生蛋白質、水解物等。
糖類: 玉米漿、玉米淀粉、葡萄糖、果膠、麥芽糖、山梨酸鉀等。
陶瓷:氧化鋁、瓷磚材料、氧化鎂、滑石粉等。

技術規格

上一篇:白炭黑專用噴霧干燥機
下一篇:氨基酸噴霧干燥塔
